Products

Home / Products / Granite

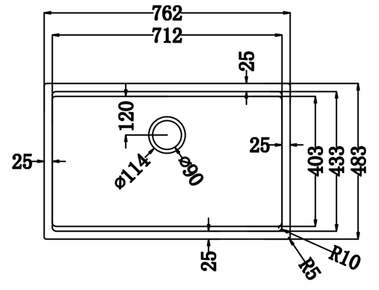
SG-G3019US2

UPDATE DATE:SG-G3019US2Hits:563
  • SG-G3019US2

Quartz stone water tank

Specifications:762×483×254mm

Opening :712×433mm

image.png